數字壓力變送報警器相關知識及簡介
數字壓力變送報警器概述:
數字壓力變送報警器采用新型進口高精度擴散硅壓力傳感器加智能調節系統構成,它的精度高、可靠性好、設定靈活、安裝、使用方便。是機械式壓力開關的理想替代產品,可直接顯示當前被測壓力值,同時具有4-20mA 變送輸出和兩個可隨意設置的開關量報警信號。作為新一代的智能壓力變送報警器,它可廣泛用于冶金、石油化工、電力、輕工、紡織等領域。
數字壓力變送報警器技術指標:
1、測量范圍表壓(G)0~6KPa~ 60MPa 密封壓(S)
0~1MPa~70MPa 絕壓(A)0~35KPa~5.0MP
2、精度0.25%,0.5%
3、適用介質液體、氣體、蒸汽(與316 不銹鋼兼容)
4、過壓極限量程范圍內最大額定壓力值的3 倍
5、使用溫度-40~85℃(可擴展-60—180℃)
6、壓力接口1/2NTP;M20×1.5 外螺紋或根據用戶要求特制
7、長期穩定性±0.2 %FS / 半年。
8、溫度穩定性±0.2 % FS / 10℃。(包括零點溫漂和滿程溫漂)
9、RFI 影響不大于0.1%FS。(頻率27—100MHz ,場強30 mV/M )
10、震動影響不大于0.1%FS(頻率5~14Hz 等幅4mm )
11、電源影響不大于0.005% FS / 10V。
12、接口材料1Cr18Ni9Ti 不銹鋼。
13、輸出信號4~20mА;開關量(觸點容量:5A)
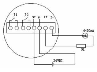
數字壓力變送報警器接線圖

數字壓力變送報警器接口與結構圖
