晶盾汽車防盜報警系統工作原理之二
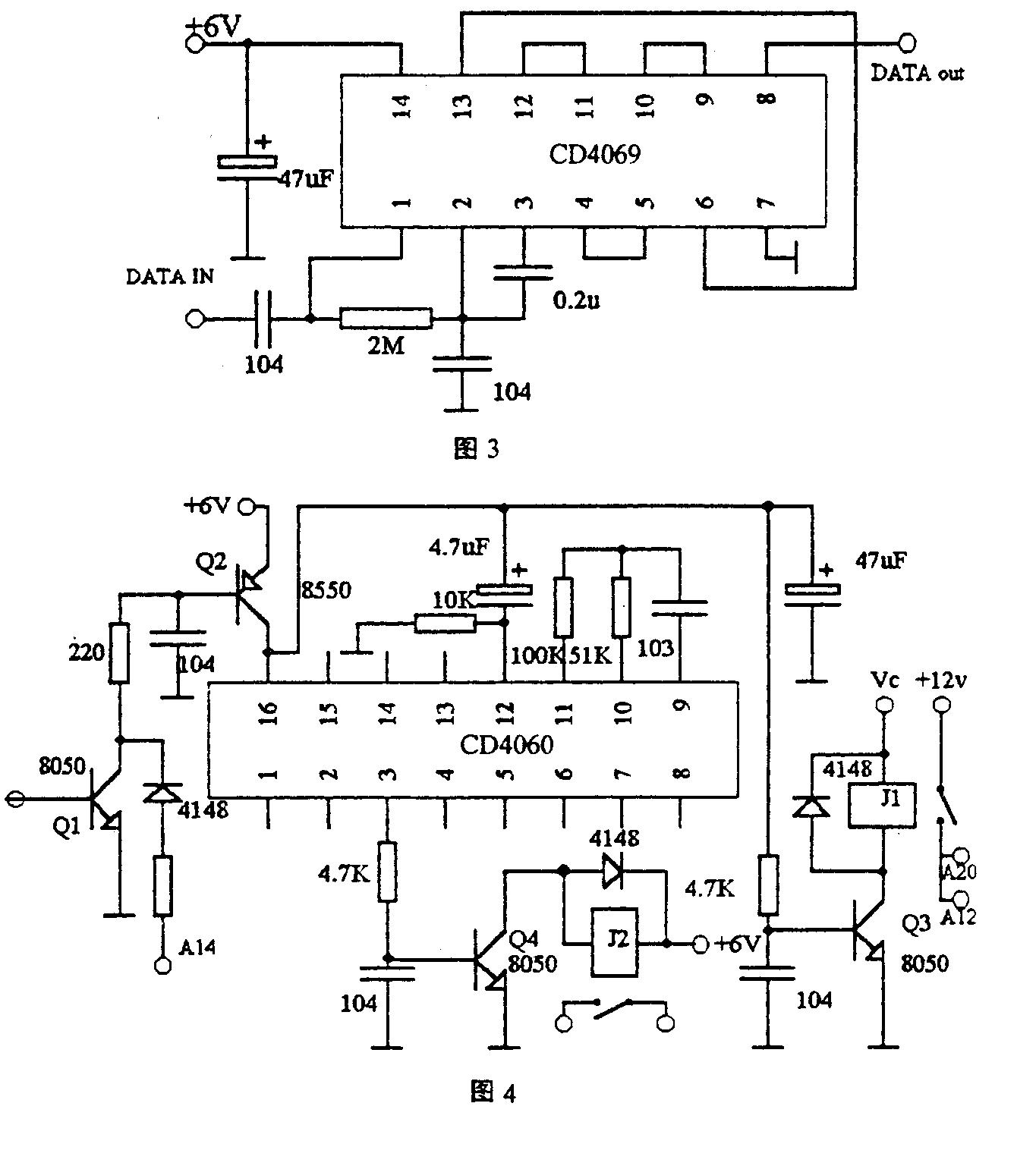
圖3 是遠程汽車防盜報警系統數據整形電路, 采用六反相器集成電路CD4069, 整形后的數據由(8) 腳輸出。

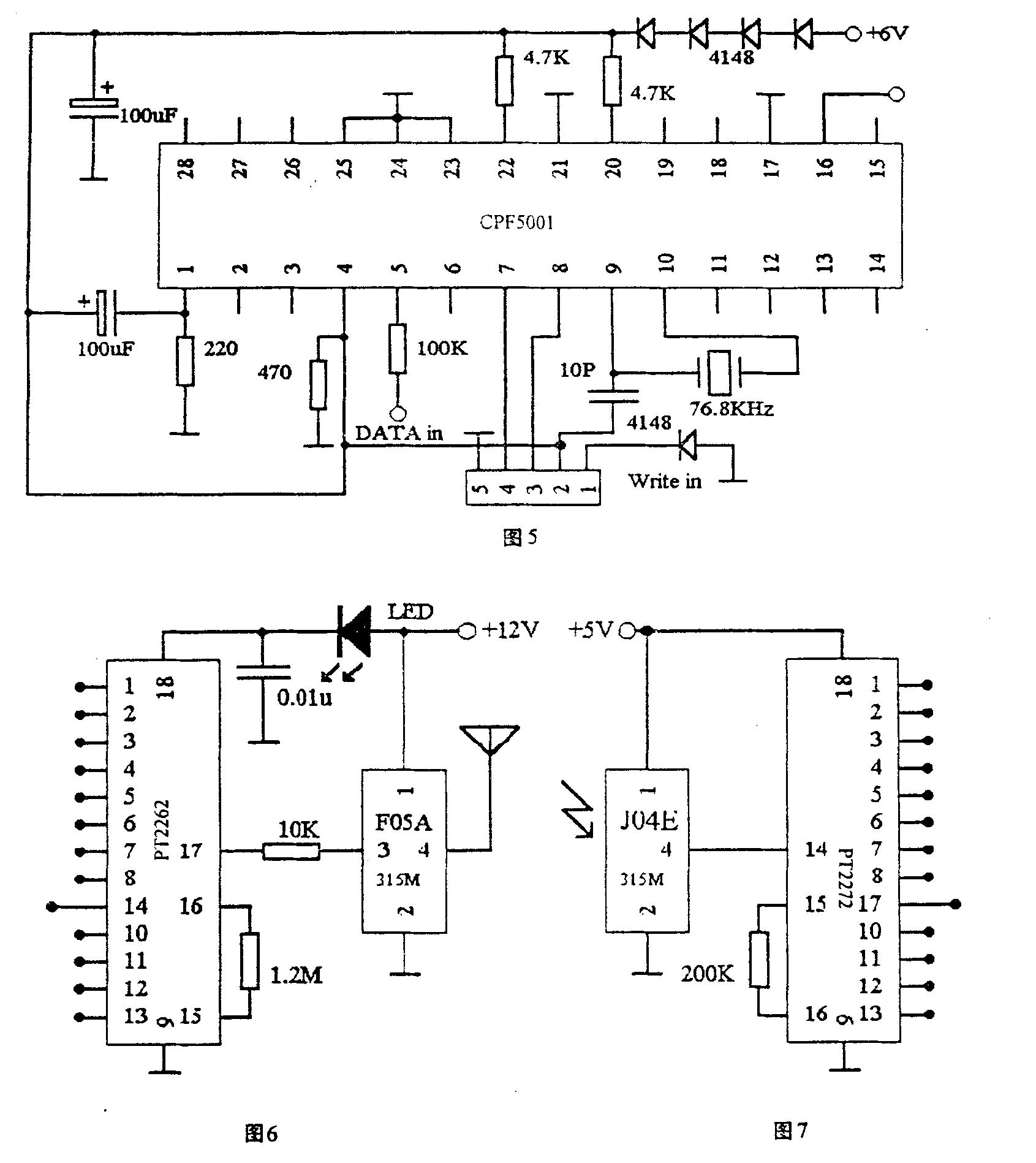
圖4 是遠程汽車防盜報警系統解碼電路, 采用PH IL IPS 公司生產的POCSA G 碼解碼專用芯片CPF5001. (1) 腳是復位端, (9)、(10) 腳接時鐘晶體, (7)、(8) 腳是數據輸入、輸出端(可將地址碼和其他信息寫入片內EEPROM ) 中, (5) 腳是整形后的脈沖數據輸入端, (16) 腳是輸出端, 如解碼成功該腳輸出高電平。
圖5 是遠程汽車防盜報警系統計時器電路, 由14 分頻器CD4060 構成, 調節其(9)、(10) 腳的C、R 值可改變其內部的時鐘頻率, 從而調節定時時間長短, (12) 腳為復位端, (16) 腳是正電源, 當CPF5001 的(16) 腳輸出高電平時Q 1、Q 2 導通, CD4060 得電工作, 同時Q 3 導通J 1 吸合, 進行聲、光報警. 當計時器到時后(3) 腳輸出高電平Q 4 導通, 汽車電源繼電器動作, 整車斷電.圖6, 圖7 是遠程汽車防盜報警系統無線遙控電路, 可用于無線遙控鎖車、解鎖和尋車等. 兩電路均采用射頻收發模塊。圖6 是遠程汽車防盜報警系統發射電路, 其中PT - 2262 是編碼芯片, (1) —(8) 腳是地址端, (10) —(13) 腳是數據端,( 14) 腳是控制端, (15)、(18) 腳外接時鐘電阻, (17) 腳為信號輸出端. F05A 是發射模塊, 它采用聲表諧振穩頻, 頻率一致性較好且工作穩定. 圖7 是遠程汽車防盜報警系統接收電路J 04E 是接收模塊, 它采用超外差、二次變頻結構, 所有的射頻接收、混頻、濾波、數據解調、放大整形全部在其內部完成. PT - 2272 是與PT - 2262 配合使用的解碼芯片, 其(1) - (8) 腳為地址端, (17) 腳為解碼有效指示端、(15)、(16) 腳為外接時鐘電阻端, (10) - (13) 腳為數據輸出端, 如解碼有效其相應端輸出高電平。

圖8 是遠程汽車防盜報警系統P IC16C57- RCöP 構成的中央處理器, 其(6) 腳為震動傳感器信號輸入端, (7) 腳為門邊觸發信號輸入端, (22) —(25) 腳為遙控數據輸入端, (28) 腳為復位端. 中央處理器將遙控信號和震動傳感器以及門邊開關的信號進行狀態識別后, 由(13) - (18)、(20) 腳輸出相應的控制信號, 經TDG2003A P 驅動后(驅動電路如圖9) 控制各種功能繼電器完成中控鎖的控制和聲、光報警系統及汽車電源的控制。